| 产品介绍: 一、概述 YLER、YLJ系列力矩三相异步电动同、具有起动转矩大,堵转电流小,机械特性较软,或带有制动器和温度保护,结构紧凑,体积小等特点。该系列电动机工作制为断续周期工作制(S5)。 YLER和YLJ系列电动机主要用在机床自动刀架转位原件,是引进国外产品的替代产品。 YLER系列力矩电机是由电动机、制动器、热保护器三者组成一体,整机结构紧凑,体积小。 二、型号说明

三、安装型式
1.机座无底脚,端盖有凸缘,凸缘有通孔。
2.机座无底脚,轴伸端无端盖,机座上有螺孔。
四、使用条件
环境温度:最高温度为40℃,最低温度为-15℃
海拔不超过1000m
电源电压380V频率50HZ
制动器电压:DC24V
五、技术数据、外形及安装尺寸
| 型号 |
额定堵转转矩 N·m |
堵转电流 A |
转速 r/min |
噪声 dB(A) |
制动力矩 N·m
|
制动电流 A |
温度续电器 |
断开温度 ℃ |
触头容量 |
| YLER-5-6 |
5 |
3 |
740 |
62 |
3 |
0.65 |
115±5℃ |
AC 220V 2A |
| YLER-9.4-6 |
9.4 |
4.5 |
890 |
62 |
3 |
0.65 |
115±5℃ |
AC 220V 2A |
| LYER-18-4A |
18 |
7.5 |
1500 |
70 |
6 |
1.3 |
115±5℃ |
AC 220V 2A |
YLER-5-6与YLER-9.4-6外形及安装尺寸见表1、图1。 YLER-18-4A外形及安装尺寸见图2。

表1 单位mm
| 型号 |
安装尺寸及公差 |
外形尺寸 |
| D |
D1 |
D2 |
C |
M |
E |
F |
G |
HD |
B |
D3 |
D4 |
L |
| 基本尺寸 |
极限偏差 |
基本尺寸 |
极限偏差 |
基本尺寸 |
位置度公差 |
基本尺寸 |
极限偏差 |
基本尺寸 |
极限偏差 |
基本尺寸 |
极限偏差 |
| YLER-5-6 |
16 |
+0.008 |
1)100 |
115 |
7 |
±0.18 |
8 |
Φ0.4 |
21 |
±0.26 |
5 |
0-0.03 |
13 |
0-0.1 |
115 |
91 |
126 |
108 |
180 |
| YLER-9.4-6 |
-0.003 |
2)125 |
140 |
8 |
±0.18 |
10 |
Φ0.4 |
29 |
±0.26 |
138 |
102 |
154 |
128 |
205 |
注:1)配用95×2.65“○”型密封圈。
2)配用120×2.65“○”型密封圈。

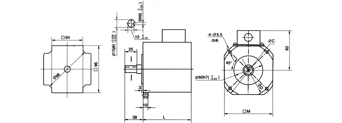
六、YLJ系列技术数据、外形及安装尺寸(图3、表2)

表2
| 型号 |
堵转转矩 Nm |
堵转电流 A |
转速 r/min |
外形尺寸 |
| L |
ΦC |
ΦD |
□M |
| YLJ-5-6B |
5 |
3 |
750 |
125 |
135 |
125 |
115 |
| YLJ-3-6B |
3 |
1.6 |
730 |
113 |
120 |
108 |
100 |
| YLJ-3-4B |
3 |
2 |
1240 |
| YLJ-1-6B |
1 |
1 |
630 |
100 |
| YLJ-1-4B |
1 |
1.4 |
1140 |
七、订货须知
1.样本中提供数据仅供参考,若有变动,不另通知。
2.订货时请注明产品型号、额定堵转转矩,同步转速、电压、频率及安装结构的形式等。
3.若有特殊要求,经双方协议后,可为您供应特殊要求电动机。 |